8 (800) 511-88-70
8 (800) 511-88-70 Пн-Пт с 8:00 до 18:00
8 (800) 511-88-70
email Pro-Solution
teplo@pro-solution.ru Единый email
8 (800) 511-88-70 Пн-Пт с 8:00 до 18:00
8 (800) 511-88-70
email Pro-Solution
teplo@pro-solution.ru Единый email
8 (800) 511-88-70 Пн-Пт с 8:00 до 18:00
8 (800) 511-88-70
email Pro-Solution
teplo@pro-solution.ru Единый email
Каталог товаров

КАК КУПИТЬ

Процедура покупки товара в нашем Каталоге очень проста и состоит из нескольких шагов.

Перейти в интернет-магазин
1
Выберите товар:

Вы можете выбрать товар из каталога ПРОГРЕССИВНЫЕ РЕШЕНИЯ и

2
Оставить заявку:

Если вы не нашли товар в списке отправьте заявку нам по сайта, Email, WhatsAPP или позвоните нам

3
Оформление заказа:

Мы вышлем Вам коммерческое предложение после подтверждения объема заказа

4
Оплата по счету:

Вы можете оплатить заказ по счету. Заказ может оплатить юридическое лицо с расчетного счета, так и физическое лицо со счета электронной карты. Перечисление средств займет от 1 до 3 банковских дней

Рекуператор пара вторичного вскипания ADCA RV Товар pro-solution
Товар pro-solution Двухходовой регулирующий клапан ADCA V25, Ду15-150, Ру16-40

Рекуператор пара вторичного вскипания ГРАНСТИМ РП

Купить Рекуператор пара вторичного вскипания ГРАНСТИМ РП TEPLO по лучшей цене с доставкой - интернет-магазин Прогрессивные решения
Рекуператор пара вторичного вскипания ГРАНСТИМ РП

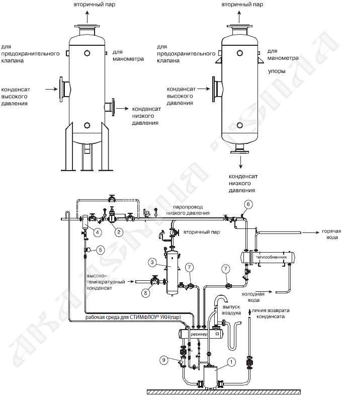
Назначение


Рекуператор пара вторичного вскипания ГРАНСТИМ РП. ОТДЕЛИТЕЛЬ ПАРА ВТОРИЧНОГО ВСКИПАНИЯ ГРАНСТИМ РП ПРИМЕНЕНИЕ Предназначен для отделения пара вторичного вскипания из конденсата высокого давления. Используется преимущественно в системах продувки котлов с целью повышения энергоэффективности рабочего цикла. Принцип действия основан на вскипании высокотемпературного конденсата при быстром понижении его давления ниже состояния насыщения при поступлении в корпус устройств. ПРИСОЕДИНЕНИЕ Внутренняя резьба BSP, фланцы по DIN. УСТАНОВКА Верти...Подробнее

В зависимости от размера заказа предоставляются скидки

ОТДЕЛИТЕЛЬ ПАРА ВТОРИЧНОГО ВСКИПАНИЯ ГРАНСТИМ РП

ПРИМЕНЕНИЕ

Предназначен для отделения пара вторичного вскипания из конденсата высокого давления. Используется преимущественно в системах продувки котлов с целью повышения энергоэффективности рабочего цикла. Принцип действия основан на вскипании высокотемпературного конденсата при быстром понижении его давления ниже состояния насыщения при поступлении в корпус устройств.

ПРИСОЕДИНЕНИЕ

Внутренняя резьба BSP, фланцы по DIN.

УСТАНОВКА

Вертикальная. Требуется установка предохранительного клапана, а на линии выхода конденсата необходимо установить конденсатоотводчик.

ТЕХНИЧЕСКИЕ ХАРАКТЕРИСТИКИ

Максимально допустимое давление 1,6 МПа
Максимально допустимая температура 250 °C

ЗАВИСИМОСТЬ "ТЕМПЕРАТУРА-ДАВЛЕНИЕ"

°С МПа
120 1,6
198 1,4
250 1,3

ГАБАРИТНЫЕ РАЗМЕРЫ

Тип Размеры, (мм) d1 d2 d3 d4 Масса,
(кг)
A A1 B C D D1 E F G H I
РП.06 1400 1200 185 170 800 600 635 50 50 50 853 3/4" 2" 1/2" 1" 80
РП.08 1500 1300 210 220 810 610 645 80 80 50 905 1" 2" 1/2" 1" 125
РП.12 1540 1340 265 325 830 630 660 100 100 50 1000 1 1/2" 2" 1/2" 1" 195
РП.16 1660 1460 310 410 930 730 725 150 150 80 1148 1 1/2" 2" 1/2" 1 1/2" 290
РП.18 1610 1410 330 460 965 765 755 150 150 80 1148 2" 2" 1/2" 1 1/2" 385

ВОЗМОЖНЫЕ ИСПОЛНЕНИЯ

РП.06, РП.08, РП.12, РП.16, РП.18
РП.XX.01 – угловой тип (горизонтальный вход конденсата, выход снизу, выпар отводится сверху).
РП.XX.02 – прямой тип (горизонтальный вход и выход конденсата, выход выпара сверху).

СПЕЦИФИКАЦИЯ

1 СТИМПАМП КН
2 Редукционный клапан
3 Рекуператор ГРАНСТИМ РП
4 Сепаратор ГРАНСТИМ
5 Конденсатоотводчик
6 Прерыватель вакуума
7 Конденсатоотводчик
8 Запорный вентиль
9 Фильтр сетчатый
Производитель:
Прогрессивные решения


Заходя на наш сайт, вы соглашаетесь с использованием cookies.